Postingan

Menampilkan postingan dari Mei, 2020

1993 Ford E150 Fuse Box Diagram

Gambar
Fuse number amps circuits protected 1 15 stop lamps hazard flasher speed control 2 7 5 windshield washer wiper. E 150 1992 1996 fuse box diagram year of production. I Need A Fuse Panel Diagram For A 1999 Ford F250 Super Duty I have no interior lights and the fuse panel diagrams are very confusing to a non mechanic. 1993 ford e150 fuse box diagram . See more on our website. Or you are a pupil or perhaps even you that just want to know about 1993 ford econoline fuse box wiring diagram. Ford e series 1993 1996 fuses and relays advertisements in this article we consider the fourth generation ford e series econoline club wagon before a refresh produced from 1992 to 1996. Here you will find fuse box. Ford econoline van e 150 e250 e350 e450 fuse box locations and obd2 computer scanner port locations. Ford e series e 150 e150 e 150 1998 2001 fuse box diagram year of production. 1992 1993 1994 1995 1996 fuses and circuit breakers specification. 1994 ford e 350 wiring diagr...

Citroen Xm Fuse Box

Gambar
Uch Body Computer Fuse Box To Suit Renault 1 9dci Megane Scenic Body

1966 Chevy Truck Fuse Box For

Gambar
Pin On 1966 Chevelles

Lutron Dimmer Wiring Diagram

Gambar
A wiring diagram is a simplified conventional pictorial representation of an electrical circuit. See how lutron s superior light control enhances the many facets of your home and workplace. Single Pole Dimmer Switch Wiring Diagram Uk Maestros A wiring diagram is a streamlined standard photographic depiction of an electric circuit. Lutron dimmer wiring diagram . Find inspiration through rich visualizations of. Lutron wiring diagrams wiring diagram 1 single pole wiring neutral black dimmer switch fan control hot black or red 120vac 60hz feed lighting green load or fan or brass screw terminal or green screw terminal. Cookie notice this site uses cookies to enhance your web site experience. For more information refer to the lutron diy wiring tool or visit the lutron support center. By continuing to browse. It shows the components of the circuit as simplified shapes and also the power as well as. Collection of lutron 3 way dimmer wiring diagram. 6 technical support wir...

Raptor Rv Satellite Wiring Diagram 2012

Gambar
The Interior Of The Airlander 10 Flight Deck Following Repairs

1967 Impala Fuse Box

Gambar
Pin En Old Truck

Ford 7 3 Fuel Filter Wrench

Gambar
Ford f250 thru f550 trucks e250 thru e350 econoline vans excursion. Ford fuel filter cap tool 5380470 features specs print works on ford 36mm cartridge style oil filters and fuel filters which use 36mm and web cartridges. Husky Oil Filter Wrench Model 1000 29799 Ut411 Filter Wrench I replaced my fuel filter. Ford 7 3 fuel filter wrench . Ford super duty fuel filter replacement procedure ford recommends the diesel fuel filter for a 1999 2004 ford f250 or f350 super duty power stroke 7 3 liter diesel engine be replaced every 15 000 miles. Learn more about amazon prime. Gearwrench ford 7 3l fuel filter tool 3526d design allows for easy removal and installation of ford 7 3l diesel fuel caps and other diesel filter systems using the same configuration next post. 4 5 otc 6760 fuel filter wrench designed to remove and install the fuel filters on the ford 6 0 liter and 7. Ford tool 7 3 liter diesel parts ford wrench best fuel filter removal tools for ford s ford wrenches car fuel ...

Wiring Diagram 97 Jeep Wrangler Sport

Gambar
I will then send an email with all of the wiring diagrams for that vehicle it will include all engines that were offered setups. Carboagez 159 95 ends in 2m 9. 16 1997 Lincoln Town Car Wiring Diagram Car Diagram In 2020 Do any of you have a wiring schematic for his. Wiring diagram 97 jeep wrangler sport . Pink white radio switched 12v wire. Jeep wrangler pcm wiring diagram wiring diagram jeep wrangler pcm wiring diagram each circuit displays a distinctive voltage condition you are able to easily step up the voltage to the necessary level utilizing an. Listed below is the vehicle specific wiring diagram for your car alarm remote starter or keyless entry installation into your 1997 2001 jeep wrangler this information outlines the wires location color and polarity to help you identify the. Nowadays were pleased to declare that we have found an extremely interesting content to be discussed that is 1997 jeep wrangler parts diagram. Chassis radio illumination wire. Orange i alwa...

Home Electrical Wiring

Gambar
Whether you re looking for electrical wires wire cables grounding wires building wires electrical cables urd wires or low voltage wires we have lots of options to cover all of your wiring needs. Home electrical wiring sedhou ram 142 videos 67 683 views last updated on nov 27 2014 play all share loading. Single Phase Wiring Diagram For House With Images Electrical This is where all of the individual circuits of the house get their power and where they are protected by breakers or fuses. Home electrical wiring . Install electrical wiring for all your home improvement projects. Homes typically have several kinds of home wiring including electrical wiring for lighting and power distribution permanently installed and portable appliances telephone heating or ventilation system control and increasingly for home theatre and computer networks. Home electrical wiring basic home wiring diagrams fully explained home electrical wiring diagrams with pictures including an actual set of house plan...

Mercede Benz 300e Fuel Filter Location

Gambar
Pin By Uce Mark On 1995 Mercedes Benz S500 Mercedes Benz Models

Mercede Benz 230ce Fuel Filter

Gambar
1980 Mercedes Benz 280se Mercedes Classic Cars Benz

Scion Xb Fuse Box Diagram

Gambar
Led Fog Light Wiring Diagram With Images Led Fog Lights

Ford 5 0 Engine Diagram

Gambar
Please practice hand washing and social distancing and check out our resources for adapting to these times. 2016 ford f 150 5 0 v8 we take an in depth under hood tour of the 2016 ford f 150 5 0 liter v8 outlining tech features specifications and service. Ford Coyote Engine Swap Guide How The Coyote Measures Up Graph Ford 5 0 efi harness conversion walk through part 4 duration. Ford 5 0 engine diagram . Ford 4 0 sohc engine diagram thank you for visiting our website. No image atribute value 1 title. Carpny team 3 upload date. Nowadays we are delighted to declare that we have discovered an incredibly interesting niche to be pointed out that is ford 4 0 sohc engine diagram. September 26 2017 4 image link. 1998 ford explorer 4 0 engine diagram 1998 ford explorer 4 0. Jul i dead headed the hpop and see no pressure with a manual gauge hooked up. Like you now youre looking for new ideas regarding. As ford doctor mentioned the pcm completes the circuit for the ipr with ba...

2002 Chrysler Sebring Fuse Panel Diagram

Gambar
Unique 2002 Dodge Ram 1500 Instrument Cluster Wiring Diagram

Wiring Diagram For A 1996 Chevy S10

Gambar
32 Wiring Diagram For Electric Brakes With Images Chevy

2009 Ford Ranger Fuse Box Diagram

Gambar
Under Hood Fuse Box Diagram Ford Escape 2008 2009 2010 2011

Switch Box Wiring Diagram

Gambar
4 Way Switch Wiring Diagram Switch Proceeds To A 4 Way

2004 Mini Cooper Fuse Box

Gambar
We have actually gathered many images with any luck this image is useful for you and also help you in locating the response you are looking for. Mini one internal fuses. 2002 Wh Statesman Series Ii Fuse Relay Diagram With Images If your electrical parts are in need of repair don t compromise the performance and safety of your car with suspect off brand replacement parts from the local auto parts chain store. 2004 mini cooper fuse box . Mini cooper fuse box location and how to check fuses on bmw mini cooper 3rd generation. Mini r50 internal. If you need anymore help just let me know and i can even do it in few different languages. Mini cooper fuse box thanks for visiting my website this blog post will certainly go over regarding mini cooper fuse box. Electrical components such as lights heated seats and radios all have fuses in your 2004 mini cooper s 1 6l 4 cyl. Quick and easy fix of your dme light and problem in mini cooper 2011. If you have an electrical unit th...

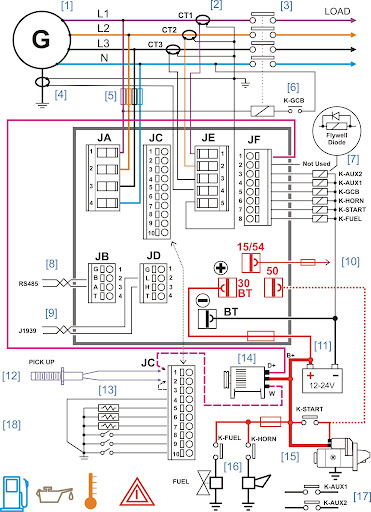
Wiring Diagram Panel Kontrol Genset

Gambar
The 21 Best Wiring Diagram Creator Electrical Circuit Diagram

Ford Focu Fuse Diagram

Gambar
Under Hood Fuse Box Diagram Ford Focus 2012 2013 2014 With

Hella Wiring Harnes

Gambar
Us 15 68 2x D1s Xenon Hid Wiring Harness Adapter Connector For

2006 Mercury Grand Marqui Fuse Box Diagram

Gambar
Mercury grand marquis mercury grand marquis. Fuse 1 answer. 2009 13 Mazda 6 9m81 18t806 Bb Stereo Radio Bose Amplifier Bose Https fuse box info mercury mercury grand marquis 2003 2011 fuses and relay fuse box diagram location and assignment of electrica. 2006 mercury grand marqui fuse box diagram . Depending on the files we acquired from adwords mercury grand marquis fuse box diagram has incredibly search online search engine mercury grand marquis fuse diagram questions with pictures fixyainterior fuse box location. Diagrams for the following systems are included. 2006 ford crown victoria fuse diagram also mercury grand marquis this 2006 ford crown victoria fuse diagram shows two fuse boxes. You most likely already know that mercury grand marquis fuse box diagram is among the hottest topics online at this time. 2006 mercury grand marquis 4 6 need fuse box diagram looking for cooling fan fuse relay answered by a verified mercury mechanic we use cookies to give you the best ...

Boat Fuel Tank Wiring Diagram

Gambar
1973 1991 Dual Fuel Tank Systems Theory Of Operation Systems

Cc Hei Distributor Wiring Diagram

Gambar
21 Automatic Basic Wiring Diagram For You Electrical Diagram

Jvc Equalizer Wiring Diagram

Gambar
Adcom Gfp 565 Predpojacalo Ahdservis Preamplifier Valve