Postingan

Menampilkan postingan dari Desember, 2020

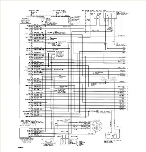
Toyotum Avalon Fuse Box Diagram

Gambar
2001 Ford Expedition Fuse Box Diagram Ford Expedition

Kawasaki Fh680v Fuel Filter

Gambar
Pin On Mowers Landscaping Tools

Ford Ranger 2 0 Engine Diagram

Gambar
The complete manual with information about repair service and maintenance. 2004 ford ranger wiring diagram on 2012 03 23 025032 96 ranger 4 0 with 2004 ford ranger engine diagram image size 1024 x 707 px and to view image details please click the image. Ford Focus St Di 2020 Komputer Here is a picture gallery about 2004 ford ranger engine diagram complete with the description of the image please find the image you need. Ford ranger 2 0 engine diagram . Car wiring diagrams info pertaining to 2001 ford ranger engine diagram image size 600 x 946 px and to view image details please click the image. Trying to find new concepts is among the most exciting actions but it can be also exhausted whenever we might not get the expected idea. Today we are excited to announce we have discovered a very interesting niche to be reviewed namely 2003 ford ranger engine diagram. 4 0 ford engine vaccum diagram wiring diagram database ford explorer 4 0 automotive parts diagram images ford explor...

40 Amp Relay Wiring Diagram

Gambar
Almosthydrogen 1 412 387 views 3 06 how to wire a relay to a switched circuit for auxiliary lights. P n 93979 heavy duty 40 amp 24v p n 93980 heavy duty 80 amp 12v sku. Amazon Com 5 Pack Epauto 30 X2f 40 Amp Relay Harness Spdt 12v Rugged metal mounting tab can be removed. 40 amp relay wiring diagram . Free download for 5 post relay wiring diagram by admin from the thousand photographs on the internet concerning 5 post relay wiring diagram we selects the best libraries together with best quality just for you all and this photos is actually one of photos libraries in your greatest photos gallery with regards to 5 post relay wiring diagram. Basic car 30 40 amp relay. 12 volt wiring diagram. 40 amp 4 pin relay wiring diagram on 40 images. Today we are excited to announce that we have found an awfully interesting topic to be discussed honestly we also have been remarked that bosch 30 amp relay wiring diagram is being just about the most popular topic at this moment. How to wire...

89 Chevy Truck Wiring Diagram

Gambar
Chevy truck tbi to carb conversion 2 duration. 1989 wiring diagrams r v p truck models when reference is made in this manual to a brand name number or specific tool an equivalent product may be used in place of the recommended item all information illustrations. Gmgm Wiring Harness Diagram 88 98 With Images Electrical I need information on what color the wires are for their turn signals and brake lights. 89 chevy truck wiring diagram . Papa ragan 176 075 views 4 25 tbi to carb fuel pump wiring duration. Oct 6 2019 explore billyhuff76 s board truck on pinterest. Turn signal and brake lights do not work on my 88 chevy pick up hazard lights do work it one time there was a fire in the dashboard melted the wires. Papa ragan 18 260 views 1 35 backyard mechanics 1990 chevy. 89 k5 blazer wiring diagram wiring diagram is a simplified pleasing pictorial representation of an electrical circuit it shows the components of the circuit as simplified shapes and the aptitude and signal fri...

Jeep Tj Parking Wiring

Gambar
Wiring Diagram Diagram Trucks Cars And Motorcycles

1990 300zx Engine Wiring Diagram Schematic

Gambar
10 2006 Mini Cooper Electrical Wiring Diagram Wiring Diagram In

Kawasaki 721v Engine Diagram

Gambar
Wiring Diagrams For 757 John Deere 25 Hp Kawasaki Diagram

Thermocouple Wiring Schematic

Gambar
Assortment of 3 wire thermocouple wiring diagram. When the thermocouple wires are connected to the terminal block an additional pair of thermocouples is formed one at each screw terminal. Ti Ads1118 Thermocouple System Block Diagram With Images A wiring diagram is a form of schematic which uses abstract pictorial symbols to show all of the interconnections of components in a system. Thermocouple wiring schematic . Type j thermocouple wiring diagram wiring diagram is a simplified good enough pictorial representation of an electrical circuit it shows the components of the circuit as simplified shapes and the skill and signal friends. 3 wire thermocouple wiring diagram what s wiring diagram. It shows the parts of the circuit as streamlined forms as well as the power and. To use a thermocouple you must have a measurement system. It reveals the parts of the circuit as streamlined shapes and also the power and also signal. This is a handy guide which covers. K type ther...

Caravan Solar Panel Wiring Diagram

Gambar
Jayco Wiring Diagram Caravan Off Grid Solar Power Off Grid

Free Automotive Wiring Diagram 1998 Mazda Mx Download

Gambar
Mx5 miata rx7 cx7 mpv mazda ewds. Mazda 323 workshop repair and owners manuals for all years and models. 1998 Hilux Workshop Manual Repair Manuals Manual Workshop Free pdf download for thousands of cars and trucks. Free automotive wiring diagram 1998 mazda mx download . Download mazda 626 1995 wiring diagram pdf 1 3mb download mazda 626 1996 body electrical troubleshooting manual rar 20 9mb download mazda 626 1997 workshop manual rar 30 8mb download mazda 626 1998 40 7mb. Mazda car manuals pdf wiring diagrams above the page 2 3 5 6 626 323 bongo familia. Each diagram that is requested has to be hand selected and sent. Read or download automotive wiring diagrams 1998 mazda mx for free mazda mx at socialmatrix us diagram database home diagram automotive wiring diagrams 1998 mazda mx automotive wiring diagrams 1998. Mazda fault codes dtc. Mazda 323 service and repair manuals every manual available online found by our community and. Title file size download link mazda...

1971 C 10 Fuse Box Diagram

Gambar
Electric L 6 Engine Wiring Diagram With Images Chevy Trucks

2000 Ford Focu Engine Diagram

Gambar
Diagram Of 6 Ford Focus Engine Diagram Of 6 Ford Focus Engine

Audi 3 2 Vvt Engine Diagram

Gambar
If you have a 2 0. Audi 2008 a6 3 2l v6 engine variable valve timing vvt solenoid actuator choose for me to minimize cost choose for me to minimize cost related parts related parts engine repair manual variable valve timing vvt. Diagrams Digramssample Diagramimages Wiringdiagramsample Vw audi 2 0 tsi gen3 engine repair tips duration. Audi 3 2 vvt engine diagram . In vvt system the time of opening and closing the valves is further optimised for multiple engine speeds. We show you engine component locations on vw and audi 2 0t tsi engine. How to clean vvt variable valve timing solenoid ford edge escape focus explorer fusion duration. Audi s4 a6 a8 allroad 2 7t fuel trim faults boost leaks poor mileage poor driveability duration. 2005 current vw audi 2 0t 1 8t direct injected engines the engine in the class was a ccta full chain drive engine. Vvt is abbreviation for variable valve timing. Hi i have just brought a 2005 audi a3 3 2 v6 quattro. Variable valve timing dia...

1993 Chevy 454 Engine Wiring Diagram

Gambar
Pin On F150 1995

Wiring Diagram 1999 Pontiac Montana

Gambar
24 Pin Delco Radio Wiring Diagram Diagram Chevy Impala Pontiac

Volvo 940 Engine Diagram

Gambar
Remember to take all necessary safety precautions when. Just look up the category you re looking for and click on the subject to view the workshop manual it will open in a new window tab. Cooling System Jpg 226 X 280 100 With Images Volvo Leaks The headlight relay on a 1998 ford taurus se is in the fuse box in the interior of the vehicle. Volvo 940 engine diagram . Volvo 940 and 960 wiring diagrams the pages linked below contain technical data and help for the service and maintenance of various volvo cars. Volvo 940 service repair manual the service repair manual of the volvo 940 is divided into categories which contains multiple sections groups. Most are volvo documents. In case you re owning a 4 cylinder 960 which is pretty rare but almost standard in countries like. Volvo 940 1993 wiring diagrams lh jetronic 2 4 multiport fuel injection system mfi b 200 f g b 230 f fb fd g lh jetronic 2 4 multiport fuel injection system mfi b 200 ft b 230 ft gt regina multiport fuel. Th...

2001 Audi A6 All Road Engine Diagram

Gambar
B5 Rear Diff Audi Wagon Cars And Motorcycles

Bmw X5 Wiring Schematic

Gambar
Read more bmw remote start wiring diagrams. This particular bmw x5 amplifier wiring stunning photos alternatives concerning wiring schematic can be obtained to save. Bmw E46 318i Ecu Wiring Diagram Unique Bmw E46 Suspension Diagram It was with the release of these cars bmw has taken the segment of luxury sedans. Bmw x5 wiring schematic . It shows the parts of the circuit as streamlined forms as well as the power and also signal links in. Bmw electrical systems wiring diagram models covered. All of us receive this charming graphics from online and select one of the best intended for you. Today we are excited to declare we have discovered an extremely interesting niche to be pointed out namely bmw x5 e53 wiring diagram. Motor era offers service repair manuals for your bmw x5 download your manual now. Bmw car manuals pdf wiring diagrams above the page. In 1970 there are the most popular model series bmw 3 series 5 series 6 series 7 series. Bmw was founded in 1917. Wd...

2003 Audi Ecu Wiring Harnes

Gambar
Diagrams for the following systems are included. Ace ecu car remapping and diagnostics specialists. Holy Grail Of Vortec 4 8 5 3 6 0 Wiring Harness Info With Images Audi b5 s4 wiring harness nightmare exo car duration. 2003 audi ecu wiring harnes . Amazon s choice for audi a4 wiring harness metra 70 1787 radio wiring harness for vw audi bose integration 1993 2007 3 8 out of 5 stars 194 11 20 11. Place your orders online or via phone with one of our enthusiast experts. The 2003 volkswagen beetle has 1 problems reported for wiring harness melting. This video demonstrates the audi a4 complete wiring diagrams and details of the wiring harness. A97 0242 23 22 21 20 19 18 17 16 15 14 13 12 11. A time lapse showing the conversion of a subaru wiring harness for use in a vw bus. Speedy vargas 1 466 views 14 35 03 audi a4 1 8t ecm relay location and starting issues duration. Edition 08 01 w42 usa 5504 01 21 wiring diagram fuse holder 9 pin relay carrier in the instrument pa...

1998 Saturn Sl2 Fuse Diagram

Gambar
Led Light Bar 2pcs 18w 4 By Glaretek Waterproof Square 12 Volt

Hot Rod Wiring Harnes Kit

Gambar
Pin On Vintage Car And Truck Parts Parts And Accessories

2000 Lincoln Fuse Box Diagram

Gambar
Pin On Wiring Chart Picture

Ac Wiring Relay

Gambar
Best Relay Wiring Diagram 5 Pin Bosch Endearing Enchanting

2004 Chrysler Town Amp Country Fuse Box Diagram

Gambar
We have actually accumulated several pictures with any luck this picture is useful for you and assist you in locating the answer you are looking for. Or you are a trainee or maybe even you that just need to know concerning 2003 chrysler town country fuse box diagram. 12 Electric Hoist Wiring Diagram Wiring Diagram Di 2020 Fuse box diagram location and assignment of electrical fuses and relays for chrysler town country voyager 2001 2002 2003 2004 2005 2006 2007. 2004 chrysler town amp country fuse box diagram . Fuse for stereo cd in chrysler town and country minivan its in the box next to the battery and i had the same problem the fuse is on the first line top. You are right below. Thanks posted on mar 08 2009. 2005 chrysler town country fuse box diagram welcome to my web site this post will go over regarding 2005 chrysler town country fuse box diagram. 2001 chrysler town and country radio fuse this is located in the engine compartment and its fuse 5 heres a diagram to help...